0
Totaal aantal artikelen
€0,00
Verzendkosten worden bij het afrekenen berekend.
Totaal incl.btw
Bezorgkosten: postpakket € 10,– / transportdienst v.a. 1 meter: € 27,50
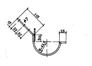
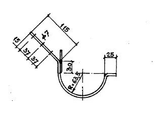
Dakgoot beugels voor mastgoot M30
Dakgoot beugels voor mastgoot M30
Zinken Dakgootbeugels M30 – Stevige en Betrouwbare Bevestiging voor Mastgoten
De zinken dakgootbeugels M30 zorgen voor een stabiele en veilige bevestiging van mastgoten bij kleine daken en bijgebouwen. Dankzij het verzinkte materiaal zijn de beugels duurzaam, onderhoudsarm en bestand tegen weersinvloeden.
1. Gootbeugel
- Wordt onderaan het schuine dak gemonteerd
- Plaats de beugels om de 60 cm langs de goot
- De goot wordt in de beugels gelegd en vastgedraaid, waarbij de lip (kraalsteun) in de kraal valt
- Voorkomt dat de goot opwaait en zorgt voor een stabiele bevestiging
2. Muurbeugel
- Wordt direct aan de gevel of muur bevestigd
- Ideaal wanneer de goot iets uit de muur moet worden geplaatst
- Kan gecombineerd worden met een hoekprofiel voor extra stabiliteit
- Wordt om de 60 cm geplaatst voor een gelijkmatige ondersteuning
3. Renovatiebeugel
- Speciaal ontwikkeld voor het vervangen van bestaande dakgoten
- Maakt het mogelijk om nieuwe M30-mastgoten te monteren zonder de oude constructie volledig te verwijderen
- Biedt eenvoudige montage en een veilige, stabiele bevestiging
